• DFPA0656 Series
  • DFPA0656 Series

DFPA0656 Series

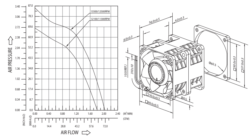
Dimension:60×60×56 mm  
  • Material: Impeller & Frame: Plastic (UL 94V-0)
  • Lead Wires: UL 1061 AWG #22 #26 #28
  • Impeller: 7 & 5 Blades
  • Rotational direction CCW view from front face
  • Weight: 170g (5.996 OZ)
  • DFPA0656 Series

Specification

MODEL Bearing Type Rated Voltage Operating Voltage Range Rated Current Rated Input Power  Speed Maximum Air Flow   Maximum Air Pressure  Acoustic Noise  Life expectancy
PART NO. 
SIGNAL
B.T.S.R
VDC
VDC
Amp
Watt
R.P.M.
m³/min
CFM
mmH₂O
IN H₂O
dB-A
hours
DFPA0656_2U -FG / RD B 12 10.8 to 13.2 2.0 23.04 12100/11300 1.806 63.80 68.54 2.698 74.2 70000
DFPA0656_2S
-FG / RD B 12 10.8 to 13.2 2.8
33.60
13500/12500
2.027
71.60
85.37
3.361
76.0
70000
   
    Product P&Q Curve                                        Dimension Drawing                                                         

Message Us