DBPD0838B2U
DC AXIAL FANSDBPDSERIES80x80x38 mm - Material lmpeller& Frame: Plastic (UL 94V-0)
- Lead Wires: PVC WIRES UL10368 AWG#22(+/-PVC WIRES UL10368 AWG#24(FG/PWM)
- lmpeller: 5 Blades
- Rotational direction CCW view from front face
- Weight 210g (7.41 02)
Specification
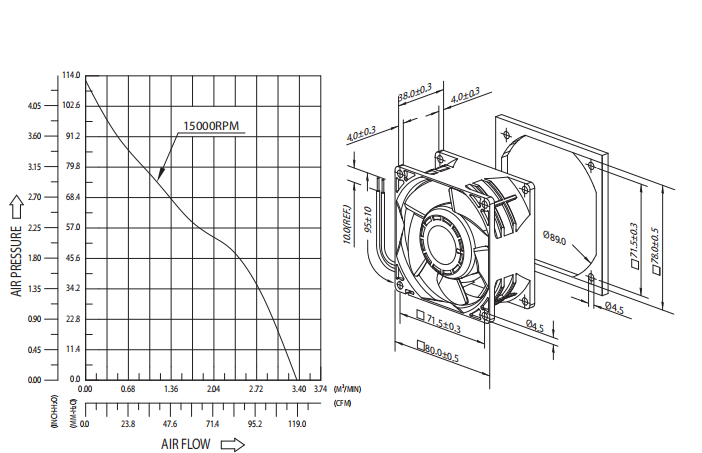
Product P&Q Curve Dimension Drawing 