DAPA0625D2M
DAPASERJES60x60x25 mm 12v,48v - Material lmpeller&Frame:Plastic(UL94V-0)
- Lead Wires UL1007 AWG#26 or Equivalent
- lmpeller:5 Blades*Rotational direction COW view from front face
- Weight80g(2820Z)
Specification
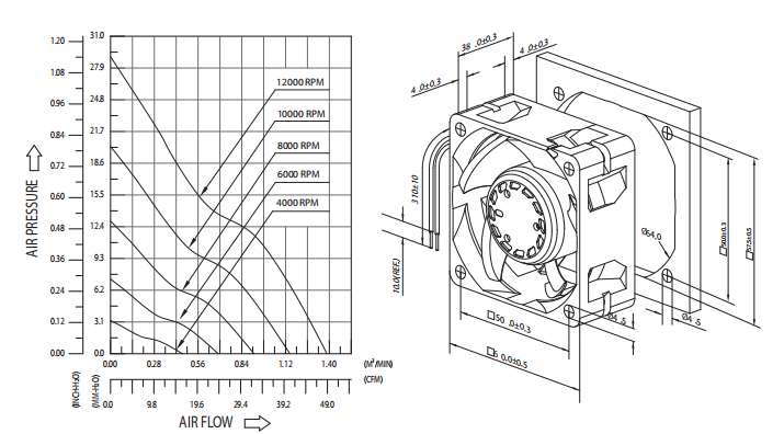
Product P&Q Curve Dimension Drawing 